Bluediver Posted April 20, 2012 Posted April 20, 2012 Hi I have just taken delievery of my second Heritage guitar. It is not the standard LP layout as it has the pickup selector by the volume/tone pots. It also has three microswitches beside them as well. I assumed this was a D-VIP system but now I am not sure. The serial number is D01107. Pictures below to see if anyone can help with information about the guitar model, pickups and the function of the switches. It has the same layout as the VIP2 for sale by member Jacques - http://www.jacquesgu...itage_VIP2.html
skydog52 Posted April 20, 2012 Posted April 20, 2012 That looks like D-VIP wiring to me. Happy new Heritage day! Click on this http://heritageguitar.com/dvip.html
skydog52 Posted April 20, 2012 Posted April 20, 2012 Looks like a H-140. Anything on the tag? Crazy truss rod cover
H Posted April 20, 2012 Posted April 20, 2012 Looks like Schaller pickups to me, Duncan. The double adjustment screws per side is a giveaway. Nice find!
FredZepp Posted April 20, 2012 Posted April 20, 2012 Cool Heritage... and yeah... that is a unique truss rod cover.
mars_hall Posted April 20, 2012 Posted April 20, 2012 I do not believe it to be D-VIP, but VIP wiring. The difference is the number of switches used in the circuit.
SouthpawGuy Posted April 20, 2012 Posted April 20, 2012 It's an '87 140 with the older variphase switching ... ======================= Older Single VIP 3 Controls and 3 mini switches. One Master Volume (left) One Master Tone Control (right). One upper Single VIP ( Var-i-Phase control). On 10 = in-phase, on "0", = out-of-phase. The only time this works, is when the 2nd and 3rd mini switches are down. single-VIP Controls Looking down at the switches in the playing position, the switches are numbered 1,2,3. #1 up = coil tap for neck pickup. 2 & 3 down = VIP for bridge pickup. 2 & 3 opposite each other = stand-by (dead), or both coils. 2 & 3 both up, = coil tap for bridge pickup. ======================== The selector switch was sometimes positioned near the pots with VIP
SouthpawGuy Posted April 20, 2012 Posted April 20, 2012 I do not believe it to be D-VIP, but VIP wiring. The difference is the number of switches used in the circuit. Yeah, D-VIP only uses two switches, VIP used three.
Bluediver Posted April 23, 2012 Author Posted April 23, 2012 Thanks for the helpful replies. The reason I was confused with the switching is that the older variphase is supposed to have three miniswitches and three others according to the Heritage site (can anyone see the pictures on the link on the site posted by Skydog52?). Mine has four others. I'll have a play about with the sounds to see what I get out. May need further help on the VIP system.......
SouthpawGuy Posted April 23, 2012 Posted April 23, 2012 A shot of my lefty '86 170, with the three minis The same as yours
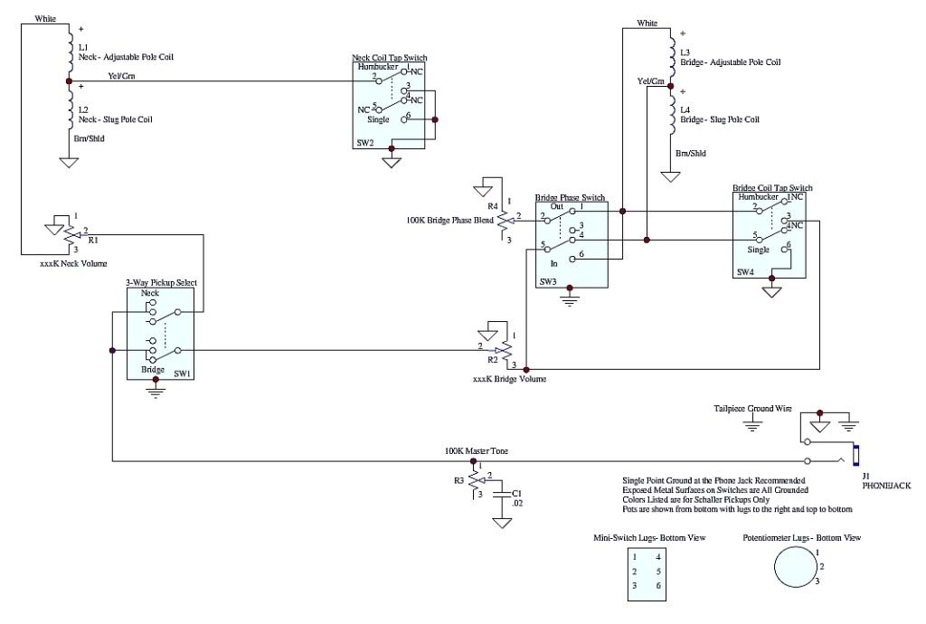
mars_hall Posted April 23, 2012 Posted April 23, 2012 This is possibly what you have inside. I drew what was in my H157V when I tried to figure out what was going on. It is basically two coil splitters and a variable phase circuit.
Bluediver Posted April 24, 2012 Author Posted April 24, 2012 Cool Heritage... and yeah... that is a unique truss rod cover. There is a slightly cracked wooden pickguard in the case together with the orignal warranty card which has handwritten on the top "purchased new 7-11-88, J A Smith"
Bluediver Posted April 24, 2012 Author Posted April 24, 2012 Thanks Mars_Hall, I'll pass that on to my guitar tech when we go through the rest of the guitar to check it out.
DetroitBlues Posted April 24, 2012 Posted April 24, 2012 Looks like you have it figured out. Very nice looking guitar. Love the sharp cutaways on those older 140's!
Bluediver Posted May 2, 2012 Author Posted May 2, 2012 OK so I have had a play around with the switches and pots and, as far as I can tell, this is the situation. Pickup selector is as expected - Up=neck, Down=bridge, middle=both Pots - nearest neck=neck volume upper=bridge volume lower=tone for both beside miniswitches=? nothing so maybe variable phase???? Miniswitches neck end=neck pickup coil tap (up coil tapped, down normal) middle=bridge pickup coil tap (down coil tapped, up normal) bottom of body=in one position of the other switches it seems to make the bridge pickup louder or off? I think there may be an issue with the third switch and variphase pot. I have the diagram above and the notes from the Heritage site, also mentioned above but none of those has my arrangement precisely. SouthpawGuy has the same as me (although on a lefty) so maybe he is the one to shed some light on a four pot/three miniswitch arrangement....
SouthpawGuy Posted May 2, 2012 Posted May 2, 2012 Photos taken of the original wiring. 170 C serial # 1986
SouthpawGuy Posted May 2, 2012 Posted May 2, 2012 And of the VIP2 ( VIP2 had two pickups, the VIP model had one pickup)
SouthpawGuy Posted May 2, 2012 Posted May 2, 2012 Bear in mind that both guitars are left handed, both wiring shots taken of the original wiring before they were modified.
Bluediver Posted May 2, 2012 Author Posted May 2, 2012 Nice addition. Welcome to the HOC! Thanks Any news on your NGD?
Bluediver Posted May 4, 2012 Author Posted May 4, 2012 OK, following SouthpawGuys info, it seems that I have the standard miniswitch set up. The four pots are 2 x volume, one tone and one Variphase. Now to restring after cleaning and play, play, play.......
Recommended Posts
Archived
This topic is now archived and is closed to further replies.